Dane elektryczne:
- Moc: 15kW
- Obroty: 1470 obr/min.
- Średnica wałka: 42mm
- Mocowanie: B3 (łapowe)
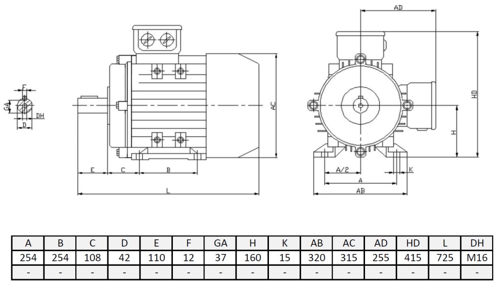
- Rozstaw łap: 254x254mm
- Wznios wałka: 160mm
- Obudowa: żeliwo
- Napięcie: 400/690V
- Rodzaj pracy: S1 = praca ciągła
- Klasa energetyczna: IE3
- Prąd znamionowy In: 27,34A
- Moment Mn: 97,45Nm
- Współczynnik prądu startowego: 7,80 Ia/In
- Czestotliwość zasilania: 50Hz
- Klasa izolacji: F
- Stopień ochrony: IP55
- Waga: 160,0kg
Istanieje możliwość zamówienie silnika kołnierzowo-łapowego
Trójfazowe silniki klatkowe asynchroniczne, chłodzone powierzchniowo. Silniki są zgodne z obowiązującymi normami IEC oraz PN EN.
Silniki są wykonane zgodnie z normami PN EN oraz IEC
Kierunek obrotów:
Silniki mają dowolny kierunek obrotów. Jeżeli klemy U1, V1 i W1 podłączymy odpowiednio do faz L1,
L2, L3 to wał będzie obracał się w prawo, zgodnie z kierunkiem wskazówek zegara (widok z przodu).
Kierunek w lewo osiągniemy poprzez zamianę dwóch dowolnych faz
Smarowanie
Silniki o wielkości mechanicznej 56-160mm posiadają łożyska obustronnie zamknięte i nie wymagają
dosmarowywania, łożyska te można stosować rownież w środowisku wilgotnym. Standardowe silniki
o wielkości powyżej 160 wymagają (B3) okresowego smarowania poprzez smarowniczke.
Napięcie
Silniki standardowo pracują z napięciem znamionowym 230/400V D/Y lub 400/690V D/Y 50 Hz, z
tolerancją napięcia ± 10%
Położenie skrzynki przyłączeniowej
Silniki o wielkości mechanicznej 56 do 160 posiadają odkręcane łapy. Łapy przyręcane są do
silnika na dwie śruby. Łapy można przykręcić również z boku, dzięki czemu jest możliwe dowolne
położenie skrzynki przyłączeniowej. Silniki posiadają odpowiednie otwory gwintowane do zmiany
pozycji łap. Skrzynka przyłączeniowa jest symetryczna i może być przekęcona wokół własnej osi.
Tym sposobem istnieje możliwość wyprowadzenia kabli w dowolnym kierunku
Stopień ochrony
Standardowo silniki posiadają stopień ochrony IP55. Wykonujemy rownież silniki o większym
stopniu ochrony. Niezależnie od stopnia ochrony, silniki wolnostojące muszą być chronione przed
bezpośrednim promieniowaniem słonecznym. W przypadku montażu wałkiem w dół zalecane jest
stosowanie daszka ochronnego, który chroni silnik i wentylator przed ciałami stałymi i wodą.
Klasa izolacji
Standardowo materiały izolacyjne (izolacja drutu, przekładki, żywica) posiadają klasę izolacji F.
Przyrost temperatury klasy izolacji mieści się w granicy 80K co odpowiada klasie B. Odpowiedni
dobór stosowanych materiałów izolacyjnych zezwala na stosowanie naszych silników do pracy z
przemiennikiem częstotliwości oraz w warunkach „Tropic“, również w obecności dużych drgań
układu.